PLAN MASON BOUILLARGUES
Plan de

Détails du plan
- Plan commencé le 23/07/2025 à 14:37 par NISSARD DIAGNOSTIC IMMOBILIER
- Modifié le 23/07/2025 à 15:18 par NISSARD DIAGNOSTIC IMMOBILIER
- Partage : Utilisation
Mots clés
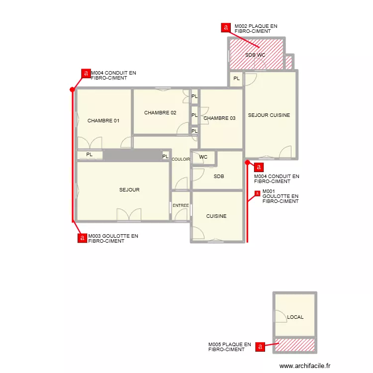
Liste des pièces
Aucune pièce n'a été créé sur ce plan.
Liste des objets
| Nom de l'objet | Nombre |
|---|---|
| Texte | 24 |
| fibro ciment | 2 |
| MUR AMIANTE | 2 |
| symbole amiante | 6 |
Lien vers ce plan
Lien pour partager le plan PLAN MASON BOUILLARGUES
Image du plan
Copier et coller le code ci dessous
Partagez ce plan
Vous aimez ce plan ?
Cliquez sur J'aime et gagnez des fonctionnalités