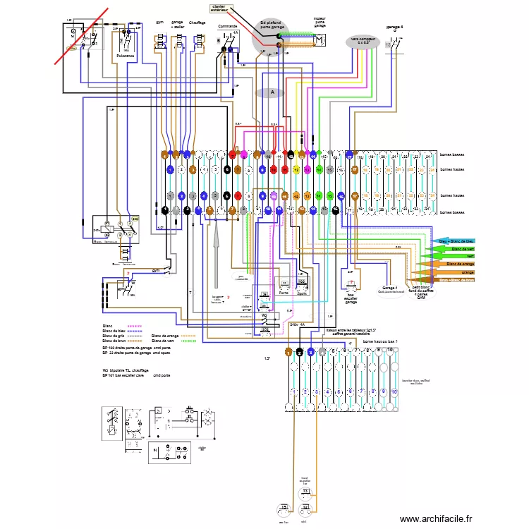
bornier tableau cave 20 10 24
Plan de

Détails du plan
- Plan commencé le 20/10/2024 à 14:34 par olinoda
- Modifié le 13/11/2024 à 19:01 par olinoda
- Partage : Utilisation
Mots clés
Liste des pièces
Aucune pièce n'a été créé sur ce plan.
Liste des objets
| Nom de l'objet | Nombre |
|---|---|
| Texte | 252 |
| 1 neons double | 4 |
| bornier 8x 2 étages | 3 |
| bornier 8x 2 étages sans chiffre | 1 |
| bouton poussoir (contact) | 9 |
| Cercle | 137 |
| disjoncteur bipolaire | 4 |
| Flêche | 7 |
| minuterie | 2 |
| minuterie electronique | 1 |
| moteur | 1 |
| Rectangle | 13 |
| Relais 24v dc 2 contacts | 2 |
| Tempo | 1 |
Lien vers ce plan
Lien pour partager le plan bornier tableau cave 20 10 24
Image du plan
Copier et coller le code ci dessous
Partagez ce plan
Vous aimez ce plan ?
Cliquez sur J'aime et gagnez des fonctionnalités