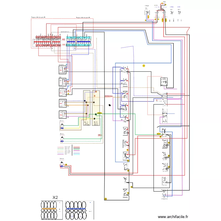
coffret Numéro 3 établit citernes
Plan de

Détails du plan
- Plan commencé le 05/04/2022 à 20:58 par olinoda
- Modifié le 12/04/2022 à 13:34 par olinoda
- Partage : Utilisation
Mots clés
Liste des pièces
Aucune pièce n'a été créé sur ce plan.
Liste des objets
| Nom de l'objet | Nombre |
|---|---|
| Texte | 209 |
| 5 bornes bleus | 1 |
| B.P +lampe | 3 |
| bornier | 2 |
| bornier bleu | 2 |
| bornier positif | 2 |
| celulle gauche | 5 |
| Cercle | 68 |
| Chevron | 1 |
| Demi cercle | 2 |
| disjoncteur bipolaire | 5 |
| interface 24dc | 11 |
| Minuterie | 1 |
| Quart de cercle | 6 |
| Rectangle | 3 |
| relais | 1 |
| Tempo | 1 |
Lien vers ce plan
Lien pour partager le plan coffret Numéro 3 établit citernes
Image du plan
Copier et coller le code ci dessous
Partagez ce plan
Vous aimez ce plan ?
Cliquez sur J'aime et gagnez des fonctionnalités